行业知识

自锁、联锁、互锁知识分享

2025-06-03 15:06:11 开云kaiyun(中国)

自锁、联锁、互锁知识分享

图片关键词

一、自锁(Self-Locking)

1.1定义

自锁是指电路中的某个控制元件(如按钮或继电器)在动作后,能够保持其状态,即使触发信号消失,电路仍然保持当前状态。

1.2 工作原理

自锁通常通过继电器的常开触点实现。当按钮按下时,继电器吸合,同时其常开触点闭合,形成自锁回路。即使按钮松开,继电器仍然保持吸合状态。

1.3应用场景

自锁常用于启动/停止控制电路中。例如,电机的启动按钮按下后,电机运行,即使松开按钮,电机仍然保持运行状态,直到按下停止按钮。

1.4优点

简化操作,避免需要持续按下按钮。

1.5 示例

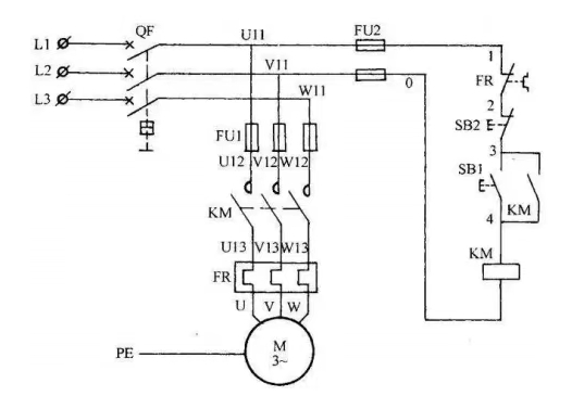
在电机控制电路中,启动按钮和继电器的常开触点并联,形成自锁回路。

图片关键词

它是利用器件或设备自己身上的控制装置(比如触点)来实现自我锁定的控制方式。下图是常用的电动机自锁运行的控制线路,将接触器的辅助常开触点并联在启动按钮上,当按下启动按钮SB1后,接触器线圈得电,接触器的主触点闭合电动机得电运行,与此同时,接触器的辅助常开触点闭合,保证接触器线圈继续得电,从而保持电动机的连续运行,这种依靠接触器本身辅助常开触点而使其线圈保持通电的状态称为自锁。自锁是电气控制线路中最常见的控制。

二、联锁(Interlocking)

2.1定义

联锁是指多个电路或设备之间通过逻辑关系相互制约,确保它们不会同时运行或产生冲突。

2.2 工作原理

联锁通过控制元件的触点(常开或常闭)实现。当一个设备运行时,联锁机制会阻止另一个设备启动,反之亦然。

2.3应用场景

联锁常用于需要互斥操作的设备中。例如,在正反转电机控制电路中,正转和反转接触器之间通过联锁机制防止同时吸合,避免短路。

2.4优点

提高安全性,防止设备冲突或损坏。

2.5示例

在正反转控制电路中,正转接触器的常闭触点串联在反转接触器的控制回路中,反之亦然,形成联锁。

图片关键词

联锁控制是多个控制信号之间建立的逻辑控制关系,是电器设备之间的一种联动控制方式。联锁控制的特点是相互联动。联锁控制典型应用场合是顺序控制。顺序控制通常是指多台电动机按照控制要求的顺序而实施起动、停止的操作。顺序控制可以分为顺序起动、同时停车控制电路,顺序起动、顺序停车控制电路,顺序启动、逆序停车控制电路三种控制电路。

1、顺序起动、同时停车控制

顺序启动实现方法为将“先启动接触器”的辅助常开触头串接在“后启动接触器”的线圈电路中,实现了启动顺序的制约,也就是所谓的联锁控制。

2、顺序起动、顺序停车控制

顺序启动实现方法为将“先启动接触器”的辅助常开触头串接在“后启动接触器”的线圈电路中,实现了启动顺序的制约,也就是所谓的联锁控制。顺序停止实现方法为将“先启动接触器”的辅助常开触点并联在后启动控制线路中停止按钮上,从而实现了顺序停止的制约,即联锁控制。

3、顺序启动、逆序停车控制

顺序启动实现方法为将“先启动接触器”的辅助常开触点串接在“后启动接触器”的线圈电路中,实现了启动顺序的制约,也就是所谓的联锁控制。逆序停止实现方法为将“后启动接触器”的辅助常开触点并联在先启动控制线路中停止按钮上,从而实现了逆序停止的制约,即联锁控制。


三、互锁(Mutual Locking)

3.1定义

互锁是指多个电路或设备之间通过逻辑关系相互制约,确保它们的运行状态相互依赖,不能单独运行。

3.2工作原理

互锁通过控制元件的触点(常开或常闭)实现。当一个设备运行时,互锁机制会强制另一个设备处于特定状态。

3.3应用场景

互锁常用于需要协同操作的设备中。例如,在双电源切换系统中,两个电源之间通过互锁机制确保只能有一个电源供电,避免同时供电导致冲突。

3.4优点

确保设备运行的协同性和安全性。

3.5示例

在双电源切换电路中,电源A的接触器常闭触点串联在电源B的控制回路中,反之亦然,

图片关键词

形成互锁。

指两个设备的运行条件互相制约、互相锁定。一个设备运行,则锁定另一个设备不能运行;或者一个设备运行后另一个设备才能运行。这种锁定是相互制约,也可以是相互协调。其关键点在于相互锁定,一个设备身上的控制装置锁定另一个设备的运行。下图为电动机正反转互锁控制线路,接触器KM1身上的常闭触点 KM1 与接触器 KM2的线圈串联,锁定KM2,接触器 KM2 身上的常闭触点 KM2 与接触器 KM1 的线圈串联,锁定 KM1,这样 KM1 和 KM2 相互制约,其结果就是接触器 KM1和 KM2 只能有一个吸合,而另一个被制约,无法吸合,在电路中起到保护的作用。当其中任意一个接触器的线圈得电后,另一个接触器的线圈不能得电,从而避免了主电路中发生相间短路。互锁是通过正、反转接触器 KM1和 KM2 线圈电路中都分别串联对方的辅助常闭触点来实现的。

4、自锁、联锁、互锁的区别

图片关键词

自锁:用于保持电路状态,简化操作。

联锁:用于防止设备冲突,提高安全性。

互锁:用于确保设备协同运行,避免独立操作。

这三种机制在电气控制系统中相辅相成,共同保障电路的安全、可靠和高效运行。

首页
产品
新闻
联系