南昌开云kaiyun(中国)-物位检测仪表故障处理分享
南昌开云kaiyun(中国)-物位检测仪表故障处理分享
第三章 物位检测仪表故障处理
3.1液面系统的故障判断液面系统如图3-1所示。

图3-1 页面系统原理图
(1) 液面记录值跑向最大或最小.可先对照一次表。如一次表正常,则为二次表故障;如一、二次表一致,则手控调节阀检查液面有无变化。有变化一般为工艺原因,无变化一般为仪表问题。
(2) 带负迁移的仪表示值跑到最大,应怀疑负压侧漏;有气相压直接引到负压侧的仪表示值跑到最小.应怀疑负压侧集液罐液体上升过高。
(3) 记录针渡动很快,一般可能是参数整定不当、一次仪表振荡或仪表信号管路漏等;如波动缓慢,一般为工况。
(4) 如怀疑仪表为假液面指示,可将系统切手动,工艺、仪表人员共同用标准压力表测出气相压力进行分析。
3.2液位指示不正常
故障现象:液位指示不正常.偏高或偏低。以电动浮筒液位变送器为检测仪表。 首先要了解工艺状况、工艺介质,被测对象是精馏塔、反应釜,还是储罐(槽)、反应器。用浮简液位计测量液位,往往同时配置玻璃液位计。工艺人员以现场玻璃液位计为参照,判断电动浮简液位变送器指示偏高或偏低,因为玻璃液位计比较直观。
有关液位(物位)检测故障判断思路详见图3-2。

图3-2页面检测故障判断
3.3锅炉汽包无液位或液位计指示波动很大
故障现象:中压锅炉汽包液面计指示波动,但汽包却无液面,何故?
故障分析:由于锅炉未投入运行壮态时,仪表人员已将仪表导压管内的封液关好,由于汽包内无压力,所以导压管内的封液在蒸汽保温热最的作用下,易产生沸腾,此时封液液面亦波动。由于正负导压管内液面波动情况不一,从而产生压差变化,引起液位差变示值波动。
故障处理:关闭导压管中的保温蒸汽,使其封液不再沸腾,差变示值即为稳定。
3.4 双法兰液面计故障
故障现象:某碱洗塔底液面已很高,但液位计无指示,但双法兰处均无堵塞。不知何故?
故障分析:经查系仪修人员怀疑液位计示值65%不准,将打开平衡阀能平衡差变正负室压差的方法,用到双法兰差变中去,但液位计示值仍为65%而不回零。这样仪修人员误认为仪表零位不准,硬把65%的液位示值调到零位,因此仪表无指示,只有当液位高于65%时方有一点示值。
故障处理:此例中的双法兰液位计的故障是仪修人员误操作引起的。在调双法兰液位计变送器的零点时,需把上下出口阀关死,打开中间平衡阀后,再将两片双法兰内的介质排掉,这时方认为上下法兰片受压相等,此时方可对变送器进行调零。
3.5安装不妥引起灵敏度降低
故障现象:工艺反映此液位检测迟钝,并致使操作人员错觉,即液位升高,反使差变输出下降。
故障分析:由于安装不妥引起检测迟钝和错觉,即液位升高,仪表示值反而下降,液位降低,仪表示值却升高?
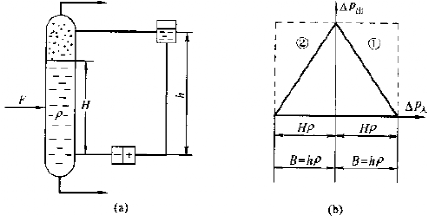
某甲醇精馏塔塔底液位检测系统,见图3-3,差压变送器正、负导压管经一定时间均能充满蒸汽冷凝液,现从图3-3(a)逐一进行剖析。

图3-3甲醇精馏塔底液位
(1)△P=P+-P-=hρ+P气-(Hρ+P气)=(h - H)ρ= hρ- H=B - Hρ
a. 当H=0时,则△P= hρ=△Pmax,此式说明当液位最低,其差压却最大。
b. 当H=h时,则△P= 0 =△Pmin,此式说明当液位最高时.其压差为最小。其最限为:0~hρ(kPa),其检测相对值δ为:δ=(△P/△Pmax)×100%=[△(h-H)/hρ] ×100%
此式说明检测的相对百分数较少,其检测灵敏度较低。
(2)如图3-3(a)所示,将正、负室调换,即液位最高点接负室,液位最低点接正室。
△P=P+-P- =(H – h)ρ= Hρ- B
式中B =Hρ,为负迁移量。
a.当H=h时,则 △P= hρ- B=△Pmax- B
b.当H=0时,则 △P=0- B=△Pmin- B
其检测相对值δ为:δ=(△P/△Pmax)×100%=(△Hρ/hρ)×100%
此式说明检测的相对百分数较大,则仪表检测灵敏度较大,其量限为()~hρ (kPa)。
两种情况的(H-△P)迁移特性曲线如图3-3(b)所示。图中①曲线为差压变送器正室接至液位顶部,负室接至液位底部;②曲线为差压变送器正室接至液位底部,负室接至液位顶部。
从以上”(1)、(2)”分析得如下结论:
a.差压变送器正、负室在检测液位时,与设备的顶部相连或底部相连,不但影响检测的灵敏度的百分值,而且,还确定其差压变送器是正迁还是负迁,从而具有不同的迁移特性曲线;
b.迁移只是同时改变量程的上、下限,而不改变量程的大小;
c.安装是否妥当、是否正确,将引起检测灵敏度的百分值,因而引起检测故障。
故障处理:将差压变送器的正压室接至塔底部,负压室接至塔上部。按图3-3(b)的②H-△P特性曲线进行迁移,从而提高了检测系统的灵敏度。消除了工艺人员的错觉:即液位H↑→△P↓→表示值下降。这样H∝△P,其特性曲线如图3-3(b)的②特性曲线。
3.6液面指示漂移
故障现象:某石化厂用浮简式液而计检测液位。但液位指示总有漂移、迟后现象。从现场玻璃液位计的示值查对浮筒液面计的示值,两表均不相符。
故障分析:经现场查浮筒式液位计的气动转换部分无故障。当打开阀门浮筒上的盖,看到浮子未吊好,结果浮子与简壁相摩擦,因此摩擦力抵消部分液面的浮力,致使液位示值不准。
故障处理:仪修人员将浮子吊好,示值正常。