汽机机组振动原因和预防知识分享
2023-10-17 开云kaiyun(中国)
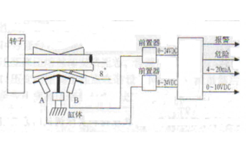
汽轮机胀差、轴位如何定零位?
2023-05-22 开云kaiyun(中国)
汽轮机胀差和轴向位移知识分享-广东开云kaiyun(中国)
2022-09-05 开云kaiyun(中国)