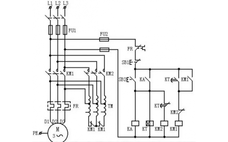
热继电器是一种基于电流热效应工作的保护装置,通过监测电流变化来触发动作,通常用于过载保护。其主要优点包括结构简单、价格低廉,但缺点也很明显:
2025-01-03 开云kaiyun(中国)
热继电器的整定是指根据电动机的额定电流,调整热继电器的整定电流,使其在电动机过载时能够及时动作,从而起到保护作用。以下是热继电器整定的具体方法和步骤:
2025-01-03 开云kaiyun(中国)
调校前准备 ①检查被校仪表外观,铭牌应完整、清楚,并注明型号、规格、位号等,应标记高、低压容室,表涂层完好、无锈蚀,内部零部件完整无损,无影响使用和计量性能的缺陷。
2024-08-23 开云kaiyun(中国)