新闻动态
KWZK开云网页版
网站首页
开云kaiyun(中国)
公司简介
在线反馈
联系我们
产品展示
全部
传感器/变送器
流量计系列
液位/料位系列
阀门/执行装置
液压/气动元件
检维修工器具
化验/分析仪器
其他机电仪产品
新闻动态
全部
行业知识
企业新闻
资料下载
客户案例
新闻动态
推荐
热门
最新
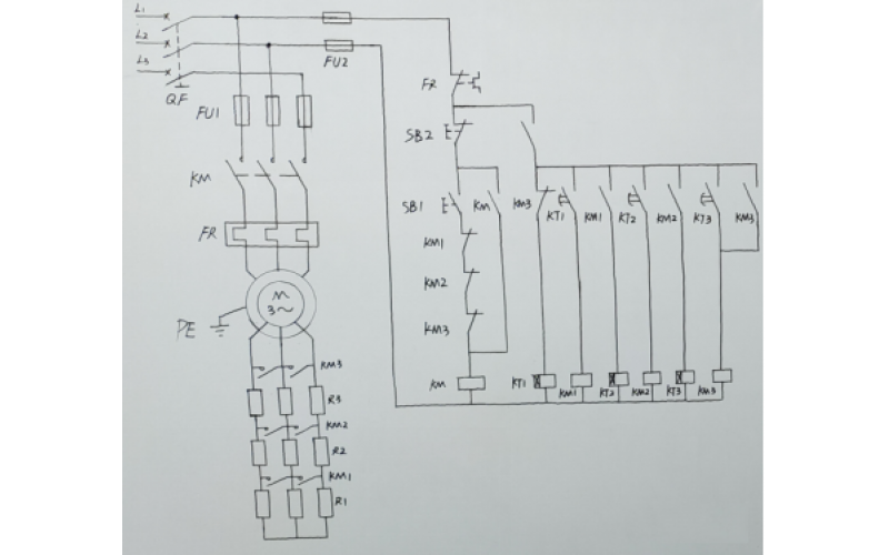
绕线转子异步电动机转子串电阻启动电路解析
绕线转子异步电动机转子串电阻启动电路解析
2022-11-17
开云kaiyun(中国)
上一页
1
下一页
转至第
首页
产品
新闻
联系
乐鱼官方网站
|
开云电子体育_开云(中国)官方
|
ky开云体育平台
|
星空体育在线(中国)唯一官方网站
|
爱游戏在线(中国)唯一官方网站
|
华体会官方版网站登录入口
|
乐鱼在线
|
米兰网站_米兰(中国)
|
华体会在线
|