备自投装置 你为什么闭锁了
2023-09-14 开云kaiyun(中国)
变电站备自投原理知识分享
2022-10-17 开云kaiyun(中国)
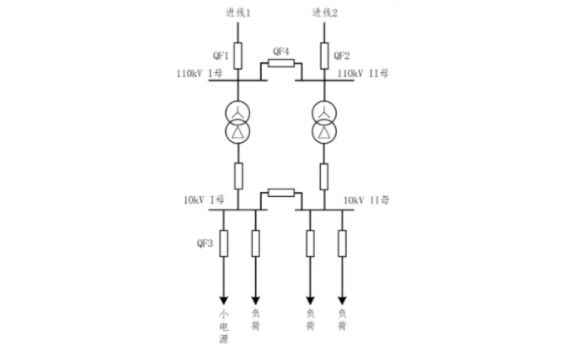
重庆开云kaiyun(中国)-小电源接入对备自投的影响
2022-09-06 开云kaiyun(中国)